Svorka pro opěrné kolo WINTERHOFF KLE48 48 mm
Svěrka WINTERHOFF KLE 48 je vhodná pro opěrná kola a pevné podpěry s průměrem trubky 48 mm. Používá se na přívěsech pro automobily a plošinových přívěsech. Je vybavena praktickou rukojetí pro otevírání a zavírání. Přišroubuje se k oji nebo konstrukci přív



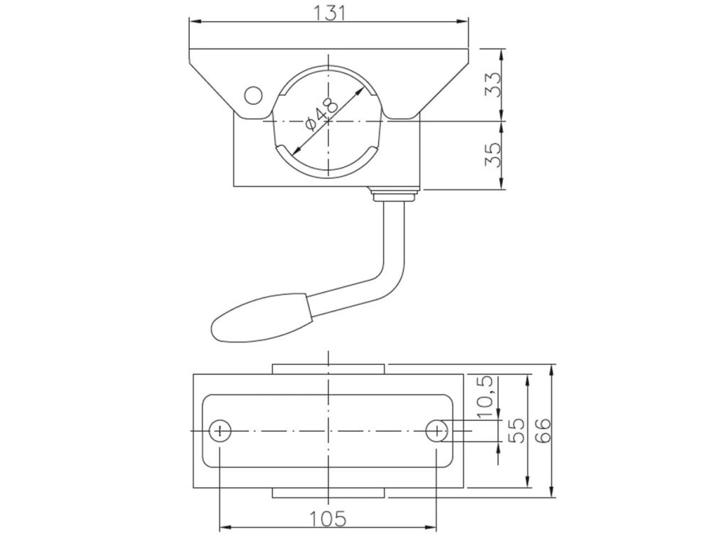
Svorka pro opěrné kolo WINTERHOFF KLE48 48 mm
Svěrka KLE48 od společnosti WINTERHOFF je určena pro montáž opěrného kola nebo podpěry s trubkou o průměru 48 mm , což zajišťuje stabilní a bezpečné uchycení k oji přívěsu. Svěrka je dlouhá 131 mm a široká 66 mm , což zajišťuje dostatečnou upínací plochu a pevnou oporu trubky. Je vybavena dvěma montážními otvory o průměru 10,5 mm, které jsou od sebe vzdáleny 105 mm , což umožňuje snadnou a přesnou montáž na konstrukci přívěsu.

Přípustné zatížení
Maximální nosnost svěrky je 250 kg , což zajišťuje stabilní a bezpečné upevnění opěrného kola k oji přívěsu během parkování, nakládání a vykládání. Správně zvolená nosnost zajišťuje, že nosná trubka zůstane bezpečně na svém místě, snižuje riziko uvolnění a zvyšuje bezpečnost provozu. Dodržování maximálních hodnot zatížení je zásadní pro zachování trvanlivosti montážních prvků, ochranu konstrukce před přetížením a zajištění dlouhého a bezproblémového provozu.

Antikorozní ochrana
Svorka opěrného kola je vyrobena z galvanicky pozinkované oceli , která poskytuje účinnou ochranu proti korozi a dlouhou životnost i při intenzivním venkovním používání. Zinkový povlak chrání ocelové komponenty před vlhkostí, posypovou solí a měnícími se povětrnostními podmínkami, čímž zvyšuje trvanlivost a odolnost proti mechanickému poškození.
Svorka je klíčovým upevňovacím prvkem pro opěrné kolo nebo podpěrnou nohu , který umožňuje stabilní a bezpečné upevnění k oji přívěsu. Bezpečně drží trubku na místě a zajišťuje tak bezpečnost při parkování a manévrování. Usnadňuje podepření oje, rychlé připojení a odpojení přívěsu a ruční posouvání přívěsu na dvoře, příjezdové cestě nebo v dílně. Toto praktické a spolehlivé řešení, používané u přepravních přívěsů, přívěsů pro lodě a karavanů , zajišťuje odolnost a strukturální stabilitu. Z bezpečnostních důvodů zkontrolujte před každou jízdou tlak páky a stav trubky opěrného kola.
| Kategorie: | Opěrná kolečka a podpěry |
|---|---|
| Záruka: | 2 roky |
| EAN: | 5907648362161 |
Diskuze
Buďte první, kdo napíše příspěvek k této položce.
